티스토리 뷰
전의 내용을 정리하면
RC delay
- delay를 줄일려면 RC를 최소로 해야한다. L을 최소로 했을 때
C를 줄일려면 W를 줄여야한다.
R을 줄일려면(= I를 늘리려면) W를 늘려야한다.
R과 C는 tradeoff관계이므로 W를 잘 조정해야한다.
Inverter chain
- 전류 driving을 키우기위해 inverter chain을 사용한다.
- 내부 cap과 외부 cap의 비율을 조정하면 delay를 줄일 수 있다.
- stage를 나눠 면적을 거듭제곱으로 증가시킨다.
- 단을 나눈 것에 의미가 있고 몇배를 했는지에 크게 민감하지 않다.
- fan-in과 fan-out을 분리시킬 수 있다.
https://18electronics.tistory.com/19
[VLSI] 디지털 회로의 Delay(1)
CMOS 특성 디지털 회로의 대부분은 CMOS회로로 구성되어있다. CMOS 회로의 특성은 다음과 같다. 1. High noise margin(CMOS 이용 근본적인 이유) - rail to rail voltage swing이 가능하여 noise에 강하다.(0=GND, 1=VDD) 2
18electronics.tistory.com
지금까지 mosfet의 width와 delay의 관계를 알아보았다. 지금부터는 CMOS를 구성하는 PMOS와 NMOS의 비율을 어떻게 정하는지에 관해 알아보겠다.
전 게시물의 내용은

이런 그림의 관점이고 이제부터 하는 내용은

PMOS와 NMOS의 W비율에 관한 이야기다. 혼동하면 안된다.
PMOS / NMOS ratio
PMOS와 NMOS의 면적 비율을 beta ratio라고한다. beta ratio를 조정하면 falling time과 rise time을 조절할 수 있다.
| tpLH | beta ratio 증가 -> Wp 증가 -> pmos 전류 증가 -> 충전시간 감소 -> tpLH 감소 |
| tpHL | beta ratio 증가 -> Wp 증가 -> Wp cap 증가 -> 방전시간 증가 -> tpHL 증가 |
beta ratio를 바꿀때는 2가지 관점을 생각할 수 있다.
1. tpHL = tpLH
2. only high speed(high performance)
1. tpHL = tpLH

NMOS와 PMOS의 이동도 차이가 falling time과 rise time의 차이를 만든다. NMOS와 PMOS의 면적비(beta ratio)를 조절하면 falling time과 rise time을 비슷하게 맞출 수 있다.

충/방전 시 위의 그림과 같이 모델링할 수 있다. 이때 falling time과 rise time을 같게 한다는 것은 PMOS쪽 R과 NMOS쪽 R을 같게 한다는 것이다. MOS는 저항처럼 생각해도된다.

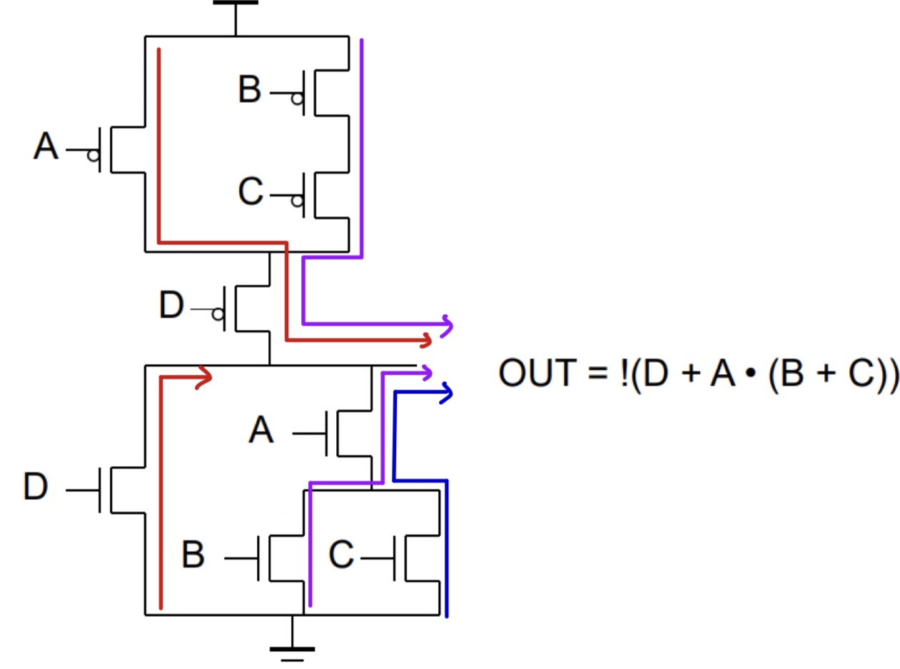
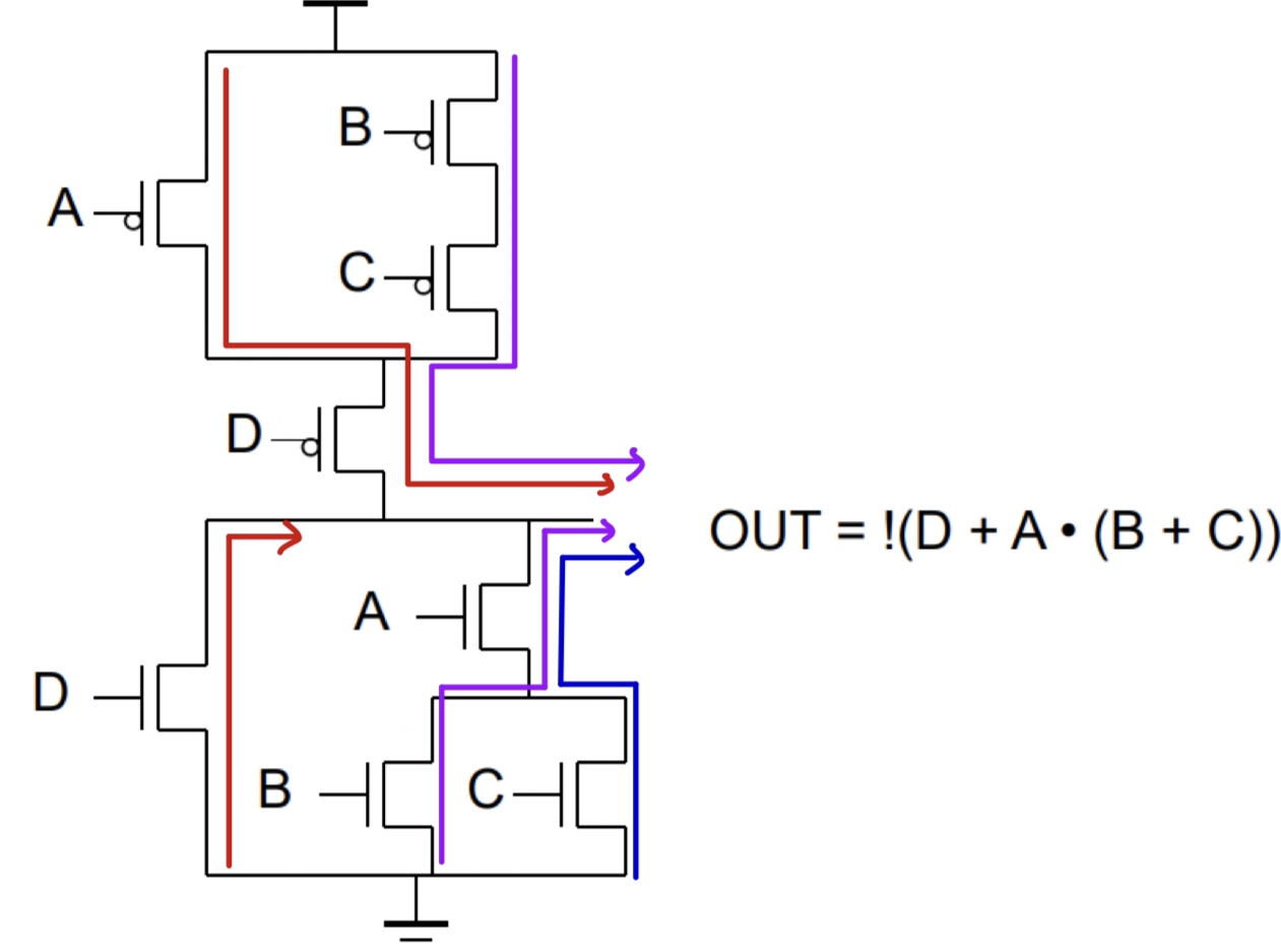
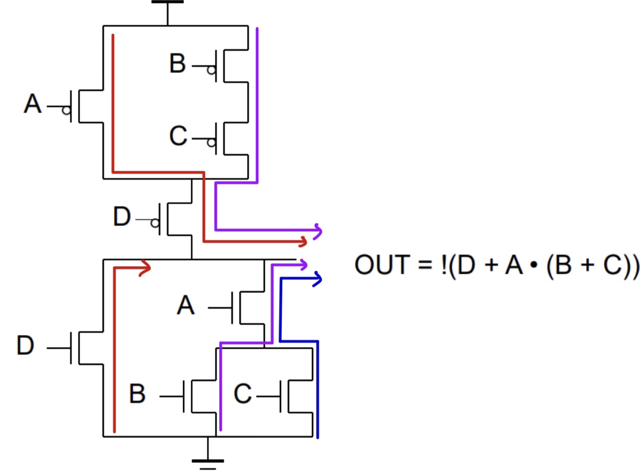
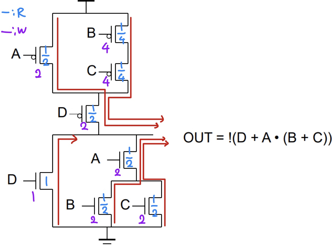
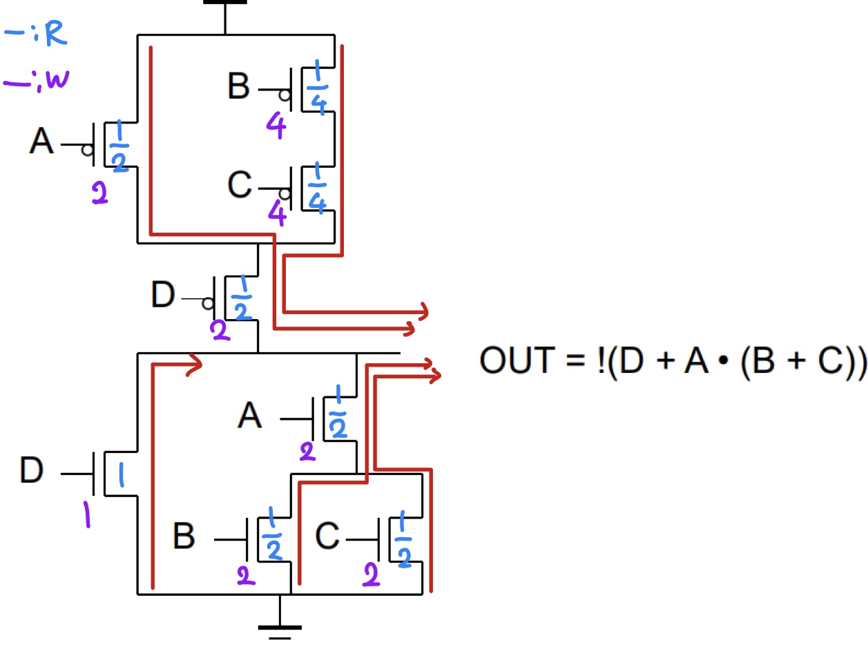
PMOS, NMOS 면적을 결정할 때 고려할 것은 3가지가 있다.
- 직렬 MOS 경로 찾기
- R(이동도 무시)을 같게 만들기, R과 W는 반비례
- NMOS와 PMOS의 이동도 차이 고려
직렬인 MOS를 찾는 이유는 직렬일 때 R이 가장 크기때문이다. 다음은 면적을 결정하는 예시이다.

1. 직렬 MOS경로 찾기

위의 경로 모두 같은 R을 가져야한다.
2. R(이동도 무시)을 같게 만들기, R과 W는 반비례
D NMOS를 거치는 것을 기준으로 R과 W의 비를 정한다.

3. NMOS와 PMOS의 이동도 차이 고려

PMOS : NMOS 이동도가 1:3이라면 PMOS면적에 3을 곱해 최종 면적을 결정한다.
위의 예시를 이해하면 inverter의 면적비가 왜 2:1인지 알 수 있다.
2. Only high speed


이 정의에 의하면 inverter의 경우 beta ratio가 1.9일 때 최소이다. 하지만 이는 오직 speed를 고려한 것이고, falling, rise모두 잘 동작하려면 tp는 tpHL과 tpLH중 큰 값에 맞춰야한다. 따라서 tpLH = tpHL인 점을 정해야한다.
결론
PMOS / NMOS 면적 결정
- 직렬 MOS 경로 찾기
- R(이동도 무시)을 같게 만들기, R과 W는 반비례
- NMOS와 PMOS의 이동도 차이 고려
PMOS와 NMOS의 면적은 tpHL ≈ tpLH를 만족시켜야한다.
참고자료
'이론 > VLSI' 카테고리의 다른 글
| [VLSI] 디지털 회로의 Power(3) - 18EE (0) | 2023.08.02 |
|---|---|
| [VLSI] 디지털 회로의 Power(2) - 18EE (0) | 2023.08.01 |
| [VLSI] 디지털 회로의 Power(1) - 18EE (0) | 2023.07.31 |
| [VLSI] 디지털 회로의 Delay(1) - 18EE (0) | 2023.07.30 |
- Total
- Today
- Yesterday
- dynamic power
- Control Unit
- VLSI dynamic power consumption
- 4bit
- VLSI 전력소모
- power gating
- clock gating
- static power
- 굿노트 mp3 내보내기
- 굿노트 녹음파일
- vlsi
- 굿노트 내보내기
- switching power
- level shifter
- Verilog
- DVFS
- 4bit CPU
- Stack effect
- 굿노트 mp3파일 추출
- acc
- delay
- leakage
- ALU
- VLSI power
- VTCMOS
- CMOS power
- data gating
- MTCMOS
- mp3파일 추출
- CPU
| 일 | 월 | 화 | 수 | 목 | 금 | 토 |
|---|---|---|---|---|---|---|
| 1 | 2 | 3 | ||||
| 4 | 5 | 6 | 7 | 8 | 9 | 10 |
| 11 | 12 | 13 | 14 | 15 | 16 | 17 |
| 18 | 19 | 20 | 21 | 22 | 23 | 24 |
| 25 | 26 | 27 | 28 | 29 | 30 | 31 |
