티스토리 뷰
현재 디지털 회로를 구성할 때 중요한 trade off 중 하나는 speed와 power이다. 딜레이에 관한 내용은 정리해놓았다.
https://18electronics.tistory.com/19
[VLSI] 디지털 회로의 Delay(1) - 18EE
CMOS 특성 디지털 회로의 대부분은 CMOS회로로 구성되어있다. CMOS 회로의 특성은 다음과 같다. 1. High noise margin(CMOS 이용 근본적인 이유) - rail to rail voltage swing이 가능하여 noise에 강하다.(0=GND, 1=VDD) 2
18electronics.tistory.com
Delay를 개선할 수 있는 방법중 하나는 VDD를 높여 I를 증가시키는 것이었지만 현재는 전력문제로 해당 방법은 사용하지 않는다. 그렇다면 디지털 회로의 power는 어떻게 결정되고 개선할 수 있는 방법은 무엇인지 지금부터 알아보자
Figure of Merit
Power를 이야기하려면 그에 맞는 단위를 먼저 알아야한다.
| [W](Watts) | - 단위시간당 소모하는 Energy |
| [W-hr] | - 한시간동안 사용한 Energy의 양 |
| peak-power | - peak-power를 견딜 수 있는 metal을 선정해야한다. - packaging 단계에서 소재 선정에 영향을 미친다. (Conventional package) |
| [J] | - Energy 단위이다. |
| Energy/Power 관계 | - E = Pt [Watts*sec] - P = E/t |
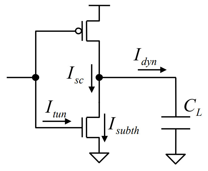
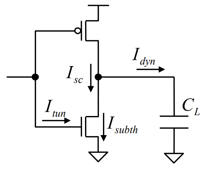
CMOS power

큰 비중을 차지하고 있는 것은 노란색 밑줄을 붙였다.

Dynamic (회로 동작)
1. Dynamic power consumption(Idyn) : switching power이다. transition이 일어날 때의 PMOS,NMOS가 소모하는 power
2. Short - circuit currents(Isc) : transition이 일어날 때 순간적으로 N/PMOS가 동시에 ON되어 VDD->VSS로 흐르는 전류
cf) transition : output이 바뀌는 것(input과는 상관 없음)
Static (회로가 동작 X)
1. Subthreshold current(Isubth) : VT 이하의 전압에서도 흐르는 전류
2. Gate oxide leakage(Itun)
Dynamic
회로가 동작할 때 발생하는 power consumption이다.
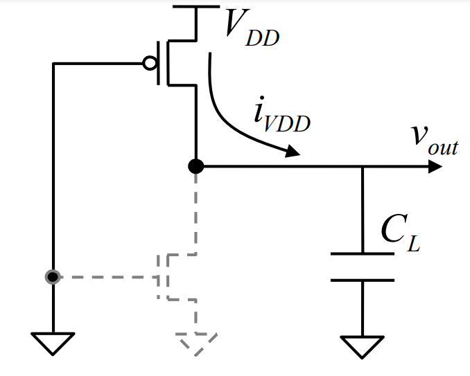
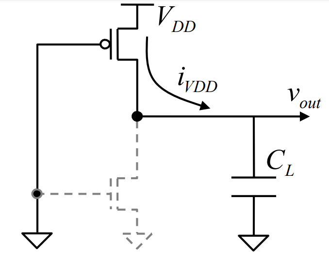
Dynamic power consumption
Switching power consumption이라고도한다. transition이 일어날 때 PMOS와 NMOS가 소비하는 power이다.
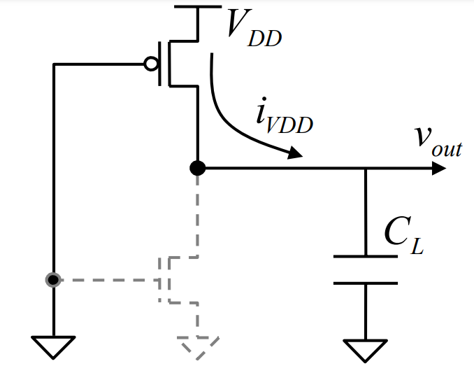
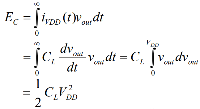
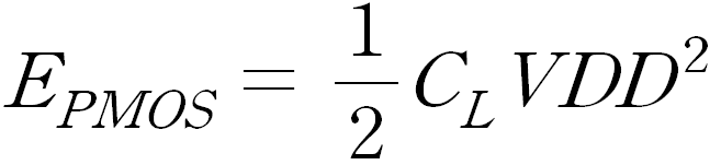
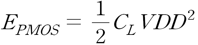
PMOS소비E = VDD공급E - CL저장E

1. VDD 공급 energy

2. CL 저장 energy

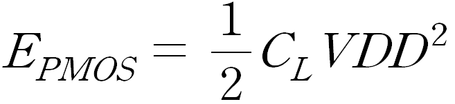
따라서 PMOS가 소비한 에너지는 다음과 같다.

LOW -> HIGH일 때 PMOS가 소비한 에너지를 구했다.
HIGH -> LOW일 때는 CL에 저장된 에너지를 소비한다.

따라서 PMOS와 NMOS가 소모한 전체 에너지는 다음과 같다.

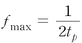
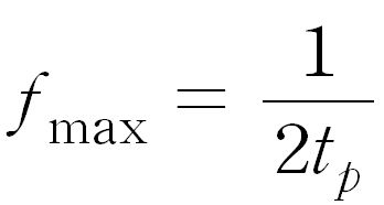
지금까지 Energy를 구했고 power를 구하면 된다.
현재 inverter를 기준으로 식을 전개하고있다. inverter는 매 clock transition마다 output transition이 일어난다.

따라서 다음과 같이 식을 세울 수 있다.

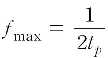
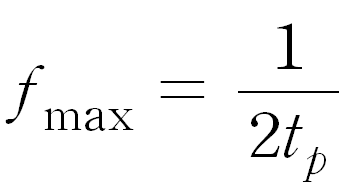
t : clock 주기
f : clock 주파수
여기까지 inverter의 power consumption이었다. 실제 CMOS는 매 clock마다 동작하지 않는다. 따라서 a를 도입한다.
![]() |
![]() ![]() |
f : clock 주파수
a : switching activity factor, 보통 1/3정도 잡는다고 한다. a를 줄여 power consumption을 개선할 수 있다.
식을 보면 VDD를 줄이면 Power 소모를 줄일 수 있을거같다. 하지만 그만큼 speed가 느려지는 trade off가 있다.

따라서 현재는 전력소모를 낮추기위해 느리게 동작하는 부분과 빠르게 동작하는 부분의 VDD를 다르게하는 multiple voltage를 사용하고있다.
Short circuit current
Transition이 일어날 때 PMOS, NMOS가 동시에 ON되어 순간적으로 많은 전류가 흘러 발생하는 전력소모이다. 많은 전류가 흐르지만 매우 짧은시간 흐르기때문에 큰 비중을 차지하지 않는다.

Static
회로가 동작하지 않을 때 발생하는 전력소모이다. leakage이다.
![]() |
![]() |
leakage는 channel length가 줄어들면서 큰 문제가 되고있다.
Subthreshold current
leakage에서 가장 큰 비중을 차지한다.

VDD를 감소시킬 때 speed를 유지하려면 Vth도 같이 줄여야한다. 하지만 leakage가 증가한다.
speed : Vth 감소
power : Vth 증가
역시 speed와 power가 trade off관계에 있는 것을 알 수 있다.
평가지표
Power와 delay가 trade off 관계이므로 둘의 곱을 평가지표로 삼는다.
Power-Delay Product (PDP)


식에서 delay항이 약분되었기 때문에 좋은 지표는 아니다. 그래서 도입한 것이 EDP이다.
Energy-Delay Product(EDP)

결론
Dynamic + static power가 total power이다. 이를 종합하여 식을 쓰면 다음과 같다.

cf) fsw : switching activity factor를 고려한 transition frequency
| 개선점 | 방법 및 trade off |
| Lower VDD | - 가장 효과가 좋은 방법이다. - Speed와 trade off 관계이므로 쉽게 줄일 수 없다. - Multiple VDD사용 |
| Lower CL | - Tr size reduction - Shorter metal(compact layout) |
| Lower a(switching activity factor) | - architecture 변경 - Frequency scailing - Clock gating |
| Lower leakage | - High Vth - Speed와 trade off 관계이므로 Vth를 쉽게 늘릴 수 없다. - Power gating |
cf) frequency scailing을 할 때는 voltage도 같이 scailing한다.(lower VDD -> lower frequency)
'이론 > VLSI' 카테고리의 다른 글
| [VLSI] 디지털 회로의 Power(3) - 18EE (0) | 2023.08.02 |
|---|---|
| [VLSI] 디지털 회로의 Power(2) - 18EE (0) | 2023.08.01 |
| [VLSI] 디지털 회로의 Delay(2) - 18EE (0) | 2023.07.30 |
| [VLSI] 디지털 회로의 Delay(1) - 18EE (0) | 2023.07.30 |
- Total
- Today
- Yesterday
- VLSI dynamic power consumption
- CMOS power
- level shifter
- clock gating
- 4bit CPU
- data gating
- 굿노트 녹음파일
- DVFS
- 4bit
- delay
- mp3파일 추출
- Verilog
- Stack effect
- vlsi
- CPU
- 굿노트 mp3파일 추출
- VTCMOS
- acc
- switching power
- 굿노트 mp3 내보내기
- 굿노트 내보내기
- VLSI power
- ALU
- power gating
- dynamic power
- leakage
- static power
- VLSI 전력소모
- MTCMOS
- Control Unit
| 일 | 월 | 화 | 수 | 목 | 금 | 토 |
|---|---|---|---|---|---|---|
| 1 | 2 | 3 | 4 | 5 | 6 | 7 |
| 8 | 9 | 10 | 11 | 12 | 13 | 14 |
| 15 | 16 | 17 | 18 | 19 | 20 | 21 |
| 22 | 23 | 24 | 25 | 26 | 27 | 28 |





